Back to Home Page of CD3WD Project or Back to list of CD3WD Publications

CLOSE THIS BOOKSwitchgear - Basic vocational knowledge (Institut für Berufliche Entwicklung, 54 p.)
3. Low-voltage circuit breakers
VIEW THE DOCUMENT3.1. Classification and tasks of the circuit breakers
3.2. Circuit breakers
VIEW THE DOCUMENT(introduction...)
VIEW THE DOCUMENT3.2.1. Universal circuit breakers
VIEW THE DOCUMENT3.2.2. Compact circuit breakers
VIEW THE DOCUMENT3.2.3. High-speed switches for d.c. installations
VIEW THE DOCUMENT3.2.4. Protective switches
3.3. Overload circuit breakers
VIEW THE DOCUMENT(introduction...)
VIEW THE DOCUMENT3.3.1. Multisection cam-operated switches
VIEW THE DOCUMENT3.3.2. Contactors
3.4. On -load switches
VIEW THE DOCUMENT(introduction...)
VIEW THE DOCUMENT3.4.1. Load-break switches in slim design
VIEW THE DOCUMENT3.4.2. Installation switcher
VIEW THE DOCUMENT3.5. Off-load switches

Switchgear - Basic vocational knowledge (Institut für Berufliche Entwicklung, 54 p.)

3. Low-voltage circuit breakers

3.1. Classification and tasks of the circuit breakers


Survey 4 Low-voltage circuit breakers

3.2. Circuit breakers

In low-voltage switchgear installations the protection against overload and short circuits is mainly taken over by fuses. The latter have, however, the disadvantage that their rated breaking capacity is limited. Furthermore, long-term operating disturbances may occur due to the replacement of the fuses. For this reason circuit breakers are used for outgoing feeders of greater amperage and for incoming supply panels. They possess bimetal and instantaneous trips and may be equipped with undervolt-age trips.

Compared with fuses a better selective protection can be reached with circuit breakers. Due to their design they are in a position to close and open high short-circuit currents and to quench objectionably arcs occurring.

Since it is not possible to meet all requirements in one circuit breaker, internationally two types are manufactured

- universal circuit breakers and
- compact circuit breakers which in each case can be with or without current-limiting effect.

3.2.1. Universal circuit breakers

The non-current-limiting universal circuit breakers, i.e. of type EL (Figure 1) are manufactured for medium and high amperages from 250 A onwards.


Figure 1. Universal circuit breaker of type EL (1) 630 A,(2) 1000 A with the arc-control chamber removed

In these circuit breakers only the fixed and movable contact members as well as the latching mechanism are fastened on the base frame.


Figure 2. Latching mechanism of the universal circuit breaker of type EL

All the other components such as switch mechanism, trips and other additional devices are designed as replacable modules. They are used in those cases where a high degree of modification is required and space requirements are not very important. As far as the circuit breaker of type EL is concerned, the arc is led very quickly into a deion chamber (see Survey 2) so that the overall opening time is short.

3.2.2. Compact circuit breakers

As to the circuit breaker in compact construction, the individual elements of the compact circuit breaker are arranged in an insulating casing made of moulded material. In this way considerable space is saved in the low-voltage distribution board. The disadvantage of the compact circuit breaker is its low degree of modification. Furthermore, the cooling conditions are unfavourable so that the current-carrying capacity, especially in case of short circuits, is worse than that of the universal circuit breaker.

The compact circuit breakers for small and medium amperages (25, 63, 160, 1000 A) are current-limiting switches such as type EBL for example.


Figure 3. Compact circuit breaker of type EBL (1) 25 A, (2) 63 A, (3) 160 A

In Figure 4 the construction and function of this circuit breaker is shown. In the following the function of the circuit breaker will be explained taking EBL 1000 as an example.


Figure 4. Sectional drawing of the compact circuit breaker of type EBL 1000 A

When the short-circuit current is less than 20 KA, the instantaneous trip 1 is actuated and its armature picks up. During this operation it turns a releasing shaft which in turn causes the latching mechanism to trip. The movable contact member is removed from the fixed contact member by spring force via interruptor shaft 2 and linkage 3.

When the short-circuit current is greater than 25 KA, the elec-trodynamic force at the contact support of the main contact pair becomes so great that the force of the contact spring is overcome and the contact members are slightly lifted. Consequently, current is flowing via the arcing contacts while contact members 4 and 5 form a loop through which current flows in the opposite direction. Thus, the movable contact member 4 is pushed off at high speed and an arc with current-limiting effect is brought into the circuit. Parallel to this process electrodynamic forces also occur between current path sections 6 and 7. The latter are supported by spring 8 so that the movable loop branch 7 is thrown onto contact cage 9. Thus the opening sequence is accelerated. Contact opening occurs already before the current maximum is reached.

3.2.3. High-speed switches for d.c. installations

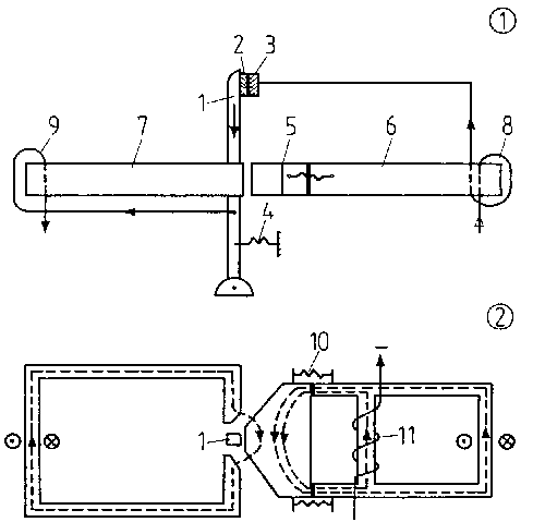
Direct-current arcs can only be extinguished by lengthening the arc. For this purpose high-speed switches which quickly lengthen the arc are required in d.c. installations. They should have only a short switching delay (up to 5 ms) so that the contacts open quickly. By drawing the arc early the short-circuit current can be limited.

These high-speed switches are manufactured as single-pole d.c. protective switches for all d.c. installations as a protection against overcurrents, short circuits and reverse currents. There are different designs of high-speed switches, but nowadays high-speed switches with impact armature are mostly used.


Figure 5 D.C. high-speed switch

In this switch two magnets, one release magnet and one holding magnet, are used through which the same current flows.


Figure 5. Principle of the highspeed switch with impact armature (1) Side view (2) Top view - 1 switch lever, 2 movable contact, 3 fixed contact, 4 contact pressure spring, 5 impact armature, 6 holding magnet, 7 release magnet, 8 holding coil, 9 tripping coil. 10 restoring spring for impact armature. 11 polarisation coil

When the rated current is present the holding magnet is already saturated so that in case of overcurrent only the tripping flux can become greater and the impact armature can open the contact. The switch also trips in case of reverse current as the same current flows through both coils. Since reverse currents are smaller than overcurrents, the holding magnet is premagnetised by a polarising coil. In case of reverse current the polarising flux counteracts the magnetic flux of the holding coil so that at a lower current the release force can pull off the armature. Direct-current high-speed switches are manufactured for voltages up to 3 kV and currents of 3000 A.

3.2.4. Protective switches

It is the main task of protective switches to protect low-voltage installations and equipment against overload and short-circuit currents. At the same time they may also be used for connecting and disconnecting circuits (see motor protection switch).

The main components of protective switches are:

- Electromagnetic instantaneous trip

As protection against short circuits an electromagnetically operating instantaneous trip is provided which releases a mechanical lock. Its adjustment ranges lie between the 3-fold and the 6-fold rated current for line protection and the 3-fold to the 16-fold rated current for motor protection. With the help of the instantaneous trips arranged in each of the three switch poles the protective switch is in a position to immediately open the circuit in case of short circuits.

- Thermal trip

A thermal trip is provided for protection against overload. It is a tripping device with delay effect which in the overload range acts on a tripping pawl by heating up of one bimetal each per outer conductor.

The adjustment range of the thermal trip is adjusted to the rated current of the load (for example thermal relay as motor protection) or the release value of the rated current has been determined by the manufacturer (for example automatic cut-out).

- Undervoltage trip

The undervoltage trip operates electromagnetically and responds to the decrease in operating voltage.

Automatic cut-outs

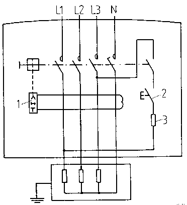
Automatic cut-outs are used in control installations and mainly in households. They are manufactured for rated voltages up to 380 V and rated currents up to 25 A as automatic circuit breaker with thread E 27 (Figure 7) and as automatic line protection (Figure 8).


Figure 7 Automatic cut-out


Figure 8 Automatic line protection

For each outer conductor one automatic cut-out is required as individual module. Actuation is carried out by a toggle lever. By means of a trip-free release an unhindered tripping can take place even if the control element is held fast.

The module consists of:

- thermal trip
- magnetic overcurrent trip
- latching device

Switches for special tasks

In addition to the circuit breakers for low-voltage installations explained until now, special switches for specific purposes are manufactured.

Fault-current protectives switches:

Fault-current protective switches are used as a protective measure against electric shocks in low-voltage installations.


Figure 9 Fault-current protective switch

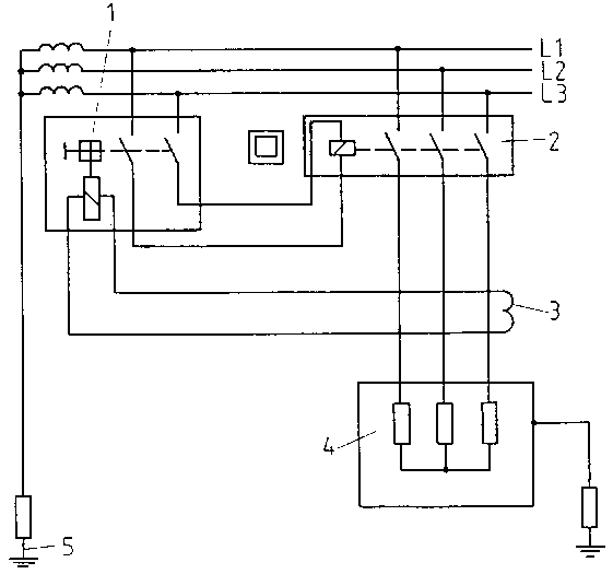
The fault-current protective switch or the fault-current facility monitors inductively with a current transformer the sum of inflowing and out-flowing currents in the system to be protected. For this purpose all conductors coming from the network, also the neutral conductor, are led through the summation current transformer. They form the primary winding. With a faultless circuit in the three-phase system or in the alternating current system the sum of all currents is zero at that moment. The current flowing against earth in case of a body contact or a line-to-earth fault disturbs the symmetry and generates in the secondary winding of the transformer a voltage which disconnects the installation when the rated fault current is exceeded. Fault-current protective switches are manufactured for the rated voltage of 380 V a.c. or three-phase and for rated currents of 25 A, 40 A, 80 A.


Figure 10. Principle of the fault-current protective switch

L... conductor
N neutral conductor

1 fault-current coil
2 test key
3 limiting resistor

When installations with currents above 80 A shall be switched, the fault-current control circuit must be used.


Figure 11 Fault-current control circuit

L... conductor,

1 fault-current control switch, 2 contactor, 3 summation current transformer, 4 consumption device, 5 earthing in accordance with regulations

Fault-current protective switches are manufactured

- for rated fault currents of 30 mA for protecting human beings and productive livestock and
- for rated fault currents of 100, 200. 300 and 500 mA for protecting installations and for fire protection.

Motor protection switches:

Motor protection switches are special switches which serve for switching and protecting motors. They are provided with bimetal and instantaneous trips. Motor protection switches are manufactured for rated voltages up to 380 V and rated currents up to 25 A in open and enclosed design.


Figure 12 Motor protection switch 25 A

3.3. Overload circuit breakers

When directly switching on electric motors, especially three-phase squirrel-cage motors, the starting current may amount to the 6-fold to 8-fold value of the rated current. Since on-load switches can only switch the 1.25-fold value of the rated current (see Section 3.4.), the overload circuit breakers must be in a position to switch the starting currents. Overload circuit breakers can be equipped with magnetic instantaneous trips and bimetal trips (see 3.2.4.) so that they serve at the same time as protective switches. Drum switches and cam-operated switches, contactors and motor protection switches can be used as overload circuit breakers.

They must display high switching speeds (snap-action circuit, see Survey 3), and the contacts must be arc resistant. Furthermore, the overload circuit breakers must have a long mechanical service life at a high switching frequency.

Multisection cam-operated switches and contactors are mainly used as overload circuit breakers.

3.3.1. Multisection cam-operated switches

Multisection cam-operated switches are built-up in accordance with the modular construction principle. Their main components are the locking device and according to the circuit a specific number of switching plates. Up to eight switching plates can be grouped to form a packet. Due to the different designs of the switching plates different switching operations can be carried out with one turn of the switch. Such circuit breakers are frequently used as control switches. The contacts are designed as pressure contacts. Contact bridges which cause a double interruption of the corresponding current path are moved by cam disks via switching plungers. When the camshaft turns, the plunger lifts the switching contact and thus causes a double interruption (see Survey 3).

Multisection cam-operated switches are manufactured for rated amperages of 10 to 200 A. The breaking capacity can amount up to 960 A.

3.3.2. Contactors

Contactors are unlatched, electromagnetically actuated switches which fall back into their rest positions as soon as the control circuit is opened. The contacts are designed in such a way that for a short period of time currents can be carried which lie above the rated currents.

The most common air-break contactors work with double interruption of the contacts and a plunger armature. In addition to the main contacts the contactors are provided with several auxiliary contacts. The magnetic system has been designed in such a way that at 85 % of the rated voltage the armature is still in a position to pick up and that at 55 % of the rated voltage it drops out automatically.

Air-break contactors

Air-break contactors, for example of type series LX 00 to 1-X 2:


Figure 13. Air-break contactor LX 1 with auxiliary switch block HX22

Air-break contactors ‘LX’ consist of a basic contactor and an additionally arranged auxiliary switch block with different contact complementation and switching functions (n.c. contacts, n.o. contacts, staggered switching instants, electronic-compatible auxiliary current paths).

They consist of a casing made of moulded material and can be mounted on 35-mm support rails. They are manufactured with d.c. and a.c. drive, for the rated alternating voltage of 220 V and the rated current of 23 A up to a rated alternating voltage of 660 V and a rated curent of 14 A.


Figure 14. Circuit diagram of an LX1-32 air-break contactor

Air-break contactors, for example of type series ID 21 to ID 7: The air-break contactors ID consist of a plastic casing which is resistant to tracking and has externally accessible terminals for the coil as well as the main and auxiliary contacts. The con tact system consists of silver pressure contacts with double interruption (three main contacts and six auxiliary contacts). The arc chambers are provided with arc deflectors and extinguish ing sheet metals. Above 63 A they are provided with deion chambers.

ID contactors are used for

- switching operations in alternating-current circuits and three-phase circuits
- direct switching-on of squirrel-cage motors
- switching of slip-ring motors (rotor contactor).

They are manufactured for rated insulation voltages of 750 V a.c. and for rated operating currents of 32 to 250 A. An important feature of the contactors of type series ID is the modular construction principle. The individual modules can be replaced without loosening the terminals.


Figure 15 IDX43 air-break contactor


Figure 16 ID7 air-break contactor

Air-break contactors of type series LX and ID can be used with and without thermal overcurrent relays (for example type IR 1 to IR 4).

Since both type series of contactors are frequently used for switching motors, thermal overcurrent relays have been developed which can be plugged on the main contacts.


Figure 17. Thermal overcurrent relay in the open state

1 casing.
2 unblocking pushbutton,
3 adjustment knob,
4 connecting screw,
5 pawl,
6 command contact,
7 compression spring,
8 temperature compensation strip,
9 bimetal strip,
10 cover,
11 core conductor,
12 release strip

Air-break contactors, for example of type series ES:

Air-break contactors of type series ES are suitable for heavy duty conditions. For this purpose they have a special design. The magnet is fastened on rubber-metal antivibration mounting and ensures shock-free switching operations. These ES contactors display a high operational safety and can be used in rolling mills, on excavators and heavy machine tools. Their mechanical service life amounts to approximately 10 million switching cycles on an average of 3000 switching cycles per hour. The rated voltage lies at 500 V a.c. or 600 V d.c. and a rated current up to 630 A depending on the type


Figure 18 Air-break contactor (ES series) for heavy conditions, for example in rolling mills and on excavators

Vacuum contactors, for example of type series EVS 160 - 630: Vacuum contactors are single-pole basic devices which with the help of connecting rails can be assembled by the user to form n-pole contactors.

Each single-pole vacuum contactor possesses an auxiliary switch block with two freely available, optionally repluggable auxiliary contacts (1 n.c. contact and 1 n.o. contact). Opening and closing of the main contact members is effected with sufficient accuracy via an electric parallel connection of the individual solenoid-operated mechanisms.

Differing from the mode of action of air-break contactors, the switching operations of the main contacts take place under vacuum. Therefore they only need a short length of contact travel. The solenoid-operated mechanism has been designed for direct voltage, For alternating-current operation a rectifier module is arranged in the contactor.

Vacuum contactors have been designed for use in works of the basic industry as well as the chemical and metallurgical industries for heavy duty electric and mechanical operating conditions.

Vacuum contactors are used like ID contactors for

- switching operations in alternating-current circuits and three-phase circuits
-direct switching-on of squirrel-cage motors
- switching of slip-ring motors (rotor contactor).

Vacuum contactors are manufactured for rated voltages up to 660 V a.c. and rated currents up to 630 A. The contact members have a service life of approximately 7 million switching operations*


Figure 19. Vacuum contactor with three arc chambers

3.4. On -load switches

On-load switches may be overloaded for a short period of time during the closing/opening cycle with the 1.25-fold rated current. Since the amount of the overcurrents during the closing/opening cycle depends mainly on the inductance of the circuit. on-load switches are only to be used in circuits with a power factor greater than 0.7.

On-load switches are used in many fields of consumers’ installations of electrical energy.

There is a variety of technical designs of on-load switches, both as far as the mode of action, for example lever switches, drum switches, cam-operated switches, gang switches and the shape of the contact, for example blade contacts, rolling contacts and pressure contacts are concerned.

In addition to the installation switches such switches which can be built into low-voltage distribution systems are important for power-current plant construction. On-load switches, mostly combined with HRC fuses, are used as incoming disconnectors, but mainly as outgoing-feeder disconnectors.

3.4.1. Load-break switches in slim design

The load-break switch in slim design (FTLA switch) has replaced the former load-break switch (LTA switch), with the exception of the switch for a rated amperage of 1000 A. FTLA switches are manufactured both in open and encapsulated design.

The encapsulated design of the FTLA switch is especially suitable for sheet-steel-enclosed installations. The switches possess silver pressure contacts with double break. They are manufactured in three different sizes for a rated voltage of 660 V a.c. with a power factor of 0.7 and for rated currents up to 630 A (with the exception of LTA - rated current 1000 A).

When a letter is added to the designation FTLA, for example FTLAS, that means that the load-break switch and the associated HRC fuses are arranged in a sheet-steel casing.


Figure 20. FTLA load-break switch 250 A in open design

3.4.2. Installation switcher

Installation switches are load switches which have been designed for electrical low-voltage installations, mainly lighting systems in dwelling-houses, workshops and social buildings. They are designed for rated currents of 6 or 10 A.

Installation switches are classified in accordance with the

- type of connection, for example on-off switch, two-circuit single interruption switch, intermediate switch, on-off switch as dimmer with thyristor

- type of actuation, for example toggle switch, rocker switch, rotary switch (in most cases now only as a light controller; see Figure 21), pushbutton switch

- type of mounting, for example surface switch, flush switch, appliance switch

- use in accordance with the degree of protection.

Survey 5 Degrees of protection for installation material

Degree of protection

Application

Place of application

IP 20

Surface and flush design

Dry rooms

IB 41

Surface and flush design

Moist rooms

IP 55

Surface design

Wet rooms


Figure 21. Installation switch (flush design IP 22)

1 dimmer,
2 socket-outlet with earthing contact,
3 rocker switch


Figure 22. Installation switch, dismantled (flush design) - 1 junction rocker, 2 covering frame, 3 switch 10 A/220 V a.c.


Figure 23. Moisture-proof switch and moisture-proof socket-outlet with earthing contact, open (surface design IP 41) - 1 Socket-outlet with earthing contact, 2 switch


Figure 24. Moisture-proof socket-outlet with earthing contact (double) in surface design IP 41


Figure 25. Moisture-proof multicircuit switch in surface design IP 41

Installation remote switches

Electromagnetic, remote-controlled, latched switches controlled with a voltage of 12 V a.c., for dwelling-houses and social buildings.

Installation remote switches with a control voltage of 220 V a.c. are used for industrial plants.

At the power-current side the switch has been designed for a rated voltage of 250 V a.c. and a rated current of 10 A.

The advantages of these switches are:

- the circuit arrangement can be switched by an optical number of pushbutton switches
- small cross-sections for the pushbutton switches
- low voltage at the pushbutton switches.

The disadvantages are:

- high material expenditure
- more expensive than conventional installation circuits.

3.5. Off-load switches

Off-load switches serve for the almost currentless switching of circuits in order to make dead. by a visible isolating position, the parts of the installation lying behind.

In most cases an off-load switch is not used for this task, but the dead state is established and secured by

- isolating links
- HRC fuses or
- carriage-type switchgear (plug-in technique).

For rated amperages from 1000 A onwards the TCI isolating switch (T = isolating switch, C = three-pole, I = indoor) which is also manufactured for 1 kV, can be used. It is produced for 1250, 2500 and 4000 A.


Figure 26 TCI isolating switch

1 frame, 2 insulator
3 connecting shaft
4 disconnecting blade

Its disadvantage is that it is relatively big and thus requires a lot of space in low-voltage switchgear installations.

Earthing switches

Earthing switches are used for earthing disconnected parts of p la n t s.

They can be combined with on-load and load-break switches.

TO PREVIOUS SECTION OF BOOK TO NEXT SECTION OF BOOK