Back to Home Page of CD3WD Project or Back to list of CD3WD Publications

CLOSE THIS BOOKCarpentry for Vocational Schools - A Teacher's handbook (GTZ, 252 p.)
5. FOOTINGS
VIEW THE DOCUMENT(introduction...)
VIEW THE DOCUMENT5.1. Correct depth and shape
VIEW THE DOCUMENT5.2. Piers or stumps
VIEW THE DOCUMENT5.3. Correct embedding of piers or stumps
VIEW THE DOCUMENT5.4. Finish
VIEW THE DOCUMENT5.5. Strip footing on concrete block wall
VIEW THE DOCUMENT5.6. Control joints for concrete block wall
VIEW THE DOCUMENT5.7. Applying mortar to a block
VIEW THE DOCUMENT5.8. Strip footing on masonry (concrete) wall
VIEW THE DOCUMENT5.9. Different types of strip footing

Carpentry for Vocational Schools - A Teacher's handbook (GTZ, 252 p.)

5. FOOTINGS

TOPIC: 5. FOOTINGS

INTRODUCTION: There are a lot of different types of footings Each one has its own function and there are only few things which they have in common.

The aim of this section is to teach students how to make proper footings and identify the different types of footings.

OBJECTIVES:

5.1. Students must know the purpose of a footing and its correct depth and shape.

5.2. Students must be able to identify the different types of post or stumps and their characteristics.

5.3. Students should know how stumps or posts are embedded correctly in the concrete to prevent them from sinking into the ground.

5.4. Students have to know how to finish the top of the concrete surrounding a post or stump.

5.5. Students should be able to describe a strip footing for a concrete block wall, how it is reinforced and the mixture of the concrete used.

5.6. Students should be able to state the names of the different control joints and why it is necessary to make control joints.

5.7. Students should know the correct procedure for laying concrete blocks.

5.8. Students should be able to describe a strip footing for a masonry wall and the measurements for placing the reinforcement bars and mesh.

5.9. Students must know the different types of strip footing and how they are correctly reinforced.

METHOD: We prepare photocopies of the different footings which are handed out to students after the lesson in the classroom and are glued into the students trade theory book.

Also this topic might be difficult to demonstrate. If there are not enough resources and there are no on-going building projects to work on, models of different footings in the scale of 1:10 can be made for demonstration to give the students a better understanding of this very important work.

NOTE: At the end of this topic again a worksheet can be prepared which students fill in their own time for further reinforcement of this subject and is assessed later.

The footings are carrying the weight of the building and it is therefore very important that footings are made deep enough in the soil, firm enough to carry the weight without sinking.

5.1. Correct depth and shape

a) Depth:

- If the site has been back filled you must dig the footing deep enough to go to a minimum of 550 mm into firm soil.


Figure

- On undisturbed or excavated sites the depth of the footing is 550 mm minimum.


Figure

b) Shape:

- As the area of the bottom of the footing determines the weight it can carry without sinking, the shape of it is very important. If the shape of a footing is like a wedge, it will easily sink into the ground.


Figure

- The correct shape of a footing should be wider at the bottom of the footing than at the top.


Figure

5.2. Piers or stumps

Piers or stumps can be made of iron posts, treated timber posts or concrete. Tall piers or stumps must be braced.

a) Iron posts: - The diameter of the iron post depends on the number of piers or stumps per square metre, number of stories and the height of floor level above ground level. Angle iron has to be welded on top and steel rods must be welded at the lower part of the iron post to increase the area of support. The other method is to flare the bottom of the pipe or post.


Steel rods welded to the stump


Bottom of stump flared

b) Treated timber post: - On top of the treated timber post there should be a notch. At least the bearer has to sit in the notch two third of the thickness of the bearer.


Figure

c) Concrete stump: - For concrete stumps you have to make a formwork and place an anchor before the concrete get dry.

It is advisable to lay reinforcing bars. Reinforcing bars are placed on each corner.


Figure

5.3. Correct embedding of piers or stumps

When the piers are embedded in the concrete footing it is important that at least 150 mm of concrete is left between bottom of pier and bottom of the footing.

- Too close to the bottom and the pier might push through and sink into the ground.


Figure

- The pier is in the correct distance to the bottom.


Figure

5.4. Finish

To make a neat finish of the footings and protect the piers the level of the top of the footing must be above ground level. Use boxing to ensure squareness and finish with a steel trowel. The surfaces of the footing must slope away from the pier.


Figure

5.5. Strip footing on concrete block wall

Strip footing is the thicker section of concrete at the base of a column, load-bearing wall, masonry wall or block wall. The strip footing is reinforced by D12 (deformed 12 mm diameter) bars. The cement mortar should be composed of one part by volume of cement to four parts by volume of sand. (1:4) For vertical reinforcement again D12 bars are used and spaced 600 mm apart too.


Figure

5.6. Control joints for concrete block wall

Concrete expands and contracts with extremes of temperature or with variations in temperature. It may also shrink and cause random cracks. To prevent random cracks control joints are build in the concrete block wall. These control joints are build if the wall exceed 10 metre in their length. There are different types of control joints, the are named : Michigan type, Gasket type, Control block type and racked type.

a) Michigan type:


Figure

b) Gasket type:


Figure

c) Control block type


Figure

d) Racked type:


Figure

5.7. Applying mortar to a block

The mortar is applied to the lower row of the blocks. Apply enough mortar at both edges so that the distance of the blocks has 10 mm. Afterwards fill out the cavities of the blocks.


Figure

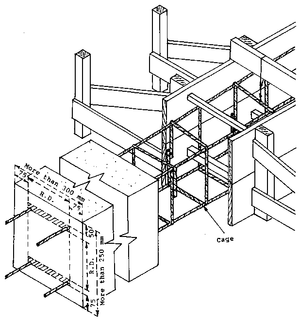
5.8. Strip footing on masonry (concrete) wall

For reinforcement, D12 bars are used. Horizontal reinforcement is spaced 480 mm apart and vertical reinforcement have a distance of 600 mm.


Figure

5.9. Different types of strip footing

Footing has to carry the weight of a building. It depends of the type of the wall, number of storeys and thickness of the walls. A masonry (concrete) wall is much heavier than a column wall. Therefore the footing of a masonry wall is stronger than the footing of a column wall.


Figure


Figure


Figure


Figure


Figure

4/D12 bars or 2/D16 bars for footing

less than 400 mm wide.

6/D12 bars or 3/D16 bars for footing

between 400 mm and 600 mm wide.

R.D. = Reduce distance to provide the correct cover. Cover means the distance from the bar to the surface.


Figure

TO PREVIOUS SECTION OF BOOK TO NEXT SECTION OF BOOK