Back to Home Page of CD3WD Project or Back to list of CD3WD Publications

CLOSE THIS BOOKAmplifier Teaching Aid (DED Philippinen, 86 p.)
Lesson 7 - Small Signal Amplifier
Lesson Plan
VIEW THE DOCUMENT(introduction...)
VIEW THE DOCUMENTSmall signal amplifier
VIEW THE DOCUMENTCoupling capacitor
VIEW THE DOCUMENTBypass capacitor
VIEW THE DOCUMENTAmplifier analyzing method
VIEW THE DOCUMENTWorksheet No. 7
VIEW THE DOCUMENTExperiment No. 4

Amplifier Teaching Aid (DED Philippinen, 86 p.)

Lesson 7 - Small Signal Amplifier

Lesson Plan

Title: Small Signal Amplifier

Objectives:

- Know the purpose of capacitors in amplifier circuits
- Able to calculate the voltage gain in an CE amplifier


Figure

Small signal amplifier

AC Signals

After the transistor has been biased with the Q-point near the middle of the load line, we can put a small ac-voltage on the base (Vin). That procedures a large ac voltage at the collector (Vout). This increase is called amplification. For two reasons we have to use capacitors. First, to couple or transmit ac signals (coupling). Second, to short ac signals to ground (bypass).

Coupling capacitor

A capacitor is open at low frequencies and shorted at high frequencies.

Capacitive reactance (XC) is inversely proportional to frequency (f) and to capacitance (C). For a coupling capacitor to work properly, it has to act like an ac short at the lowest frequency that the ac source can have. To realize that we can use the following rule:

XC < 10 R

Make the reactance at least 10 times smaller than the total resistance in series with the capacitor.

Ex: Calculate the capacitance of C1 for a proper ac transmittance. Frequency range: 20-20000 Hz


Fig. 7-1: Use of coupling capacitor

Total resistance: 1KW + 500W = 1.5KW

XC <= 10 * R -- >


-- >

C = 53mF

The capacitor to choose should be bigger than 53mF. The next standard value is:

C = 56mF

Bypass capacitor

It is connected in parallel across a resistor. The reason for doing this is to bypass an ac current away from the resistor. The capacitor provides a short for the ac. You can use the following rule to calculate the capacitance:

Make the reactance at least 10 times smaller than the total resistance in parallel with the capacitor.

Amplifier analyzing method

From a given amplifier circuit first do -the dc analysis (recall lesson 6) and than do the ac analysis.


Fig. 7-2: CE amplifier circuit

DC equivalent circuit

For dc, all capacitors are acting like open switches; therefore we can draw the following dc equivalent circuit:


Fig. 7-3: DC equivalent circuit

Now the dc analysis can easily be done: (see Lesson 6)

VB = 1.8V
VE = 1.1V
IE = 1.1 mA
VC = 6.04V
VCE = 4.94V

AC equivalent circuit

For the ac all capacitors are shorted and the dc sources are reduced to zero:


Fig. 7-4: Ac equivalent, circuit

The top of the 10K and 3.6K resistors are grounded. The resistors 10K/2.2K and 3.6K/10K are in parallel so we can combine them:


Fig. 7-4: Simplified ac equivalent circuit

Now we got a really simple circuit for the ac analysis.

Voltage Gain

One of the most important characteristics for small signal amplifiers is the voltage gain (AV).

The lowercase letters are used to indicate ac values. The output voltage is given by:

Vout = ic * rc

The input voltage is given by:

Vin = ie * re

Substitute of these two expressions:

Because ic approximately equals ie:

AC emitter resistance (re)

The first step in calculating the voltage gain is to estimate the ac emitter resistance (re).

(formula derived by using calculus)

This relation applies to all transistors that means it is a universal formula.

Let's remember our example circuit (Fig. 7-4):

AC collector resistance

Due to the ac analyzing method we easily get the ac collector resistance (re). See Fig. 7-4:

rc = 2.65KW

So now we are ready to calculate the voltage gain:

HO: What will be the voltage gain for the following circuit?


Fig. 7-5: CE amplifier circuit

Solution:

DC analysis

VB = 3.6KW, VE = 2.9 KW, IE = 2.9 mA

VC = 9.5V, VCE = 6.6V

AC analysis

rc = 2.65KW



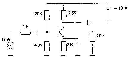
Worksheet No. 7


Figure

No. 1 (circuit above) Calculate the capacitance of C1, to design a proper working bypass capacitor for the load RL. Frequency range: 20 - 20000 Hz

No. 2 (circuit below)

a) Draw the dc equivalent circuit.
b) Calculate the following dc values: IC, VCE
c) Draw the ac equivalent circuit.
d) Calculate the ac emitter resistance (re) and the ac collector resistance (rc).
e) What is the voltage gain AV?
f) What happens to the voltage gain if the supply voltage doubles?


Figure

Experiment No. 4


Figure

Procedure:

1. Connect the circuit

2. Connect an signal generator to the input. Set it to 1000 Hz (sinewave) and minimum output. Connect an oscilloscope to the output terminals of the amplifier. Adjust the oscilloscope for proper viewing.

3. Set the output of the generator to the maximum undistorted amplifier output.
Measure the peak to peak input and output amplitude and record it in the table. Draw the input and output waveforms in the table.

4. Set the generator to the minimum undistorted amplifier output.
Measure the peak to peak input and output amplitude and record it in the table. Sketch the input and output waveforms in the table.

Step


Input

Output


IC

Vp-p

Waveform

Vp-p

Waveform

3






4






TO PREVIOUS SECTION OF BOOK TO NEXT SECTION OF BOOK