Back to Home Page of CD3WD Project or Back to list of CD3WD Publications

CLOSE THIS BOOKCircuits, Formulas and Tables Electrical Engineering - Basic vocational knowledge (Institut für Berufliche Entwicklung, 201 p.)
VIEW THE DOCUMENT(introduction...)
VIEW THE DOCUMENTPreface
1. Selected Graphical Symbols of Electrotechnology
2. Bell Circuits
3. Basic Circuits of Illumination Engineering
4. Electrical Machines
5. Contactor Circuits
6. Rectifier Circuits
7. Measurement Circuits
VIEW THE DOCUMENT8. Protective Circuits
9. Circuits in Motor Vehicles
VIEW THE DOCUMENT10. Tables
11. Basic symbols and formulas of electrical engineering

8. Protective Circuits


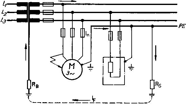
Protective wire in a three-phase current system


Earthing (Three-phase a-c three wire system)


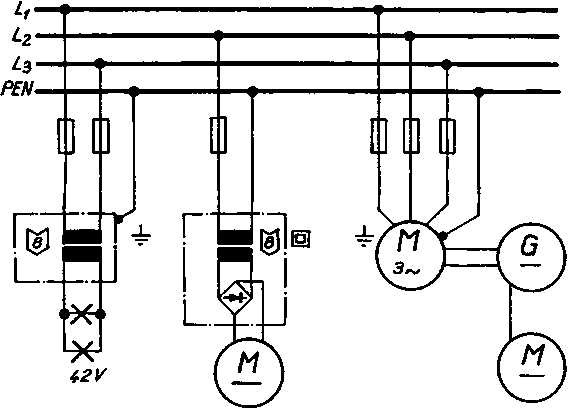
Earthing (Three-phase a-c four wire system)

Protective Earthing


Reflux of the leakage current via water pipe system (1)


Reflux of the leakage current via earth

IF leakage current, In rated current of the fusible cut-out


Circuit for Generating Protective Low Voltage

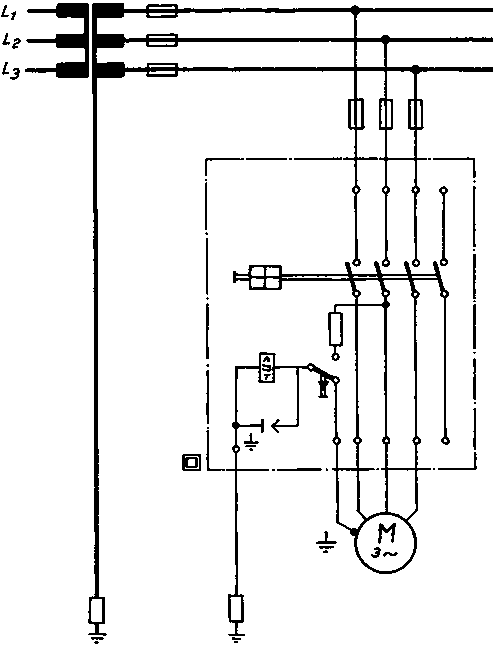
Fault-voltage Protective Circuit


in a three-phase three-wire system

1 fault-voltage circuit breaker

Fault-current Protective Circuit


in a three-phase four-wire system

1 fault-current circuit breaker

TO PREVIOUS SECTION OF BOOK TO NEXT SECTION OF BOOK