Back to Home Page of CD3WD Project or Back to list of CD3WD Publications

CLOSE THIS BOOKIntroduction to Electrical Engineering - Basic vocational knowledge (Institut für Berufliche Entwicklung, 213 p.)
3. Electric Circuits
VIEW THE DOCUMENT3.1. Basic Circuit
VIEW THE DOCUMENT3.2. Ohm’s Law
3.3. Branched and Unbranched Circuits
VIEW THE DOCUMENT3.3.1. Branched Circuits
VIEW THE DOCUMENT3.3.2. Unbranched Circuits
VIEW THE DOCUMENT3.3.3. Meshed Circuits

Introduction to Electrical Engineering - Basic vocational knowledge (Institut für Berufliche Entwicklung, 213 p.)

3. Electric Circuits

3.1. Basic Circuit

If an incandescent lamp for illuminating a working place is to be caused to light, the following pre-conditions are required.

· A voltage source whose voltage is available at the point of connection (socket outlet). The voltage source may be far away from the point of connection (e.g. in a power station). A fuse is interposed in each line as overcurrent protection.

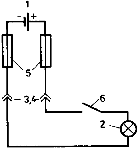
· A 2-core line leading to the incandescent lamp which conducts the voltage via a plug to the lamp. For conveniently switching on and off, a switch is interposed. Fig. 5.1. shows the described arrangement. Fig. 5.2 the schematic representation with symbols which is called wiring diagram.


Fig. 3.1. Simplified representation of the arrangement voltage source/table lighting fitting

1 - Voltage source
2 - Table lighting fitting
3 - Plug socket
4 - Plug
5 - Fuses
6 - Switch

This shows that a closed connection from the voltage source to the incandescent lamp is essential for operation. The charge carriers driven from the source pass through the conductor, transfer their energy to the lamp and return to the source where they receive again drive energy. This is a circulatory process and, therefore, such an arrangement is called circuit.


Fig. 3.2. Wiring diagram for Fig. 3.1

Graphical symbols:

1 - Voltage source
2 - Lighting fitting
3/4 Plugged connections
5 - Fuses
6 - Switch

Since no charge carriers are lost during the passage, the current is a phenomenon closed in itself, a band without start and without end which has the same intensity at any point.

The above described example is the simplest circuit. Therefore it is called basic circuit. For the principle illustrated here it is of no consequence if in the place of the generator a different voltage source (e.g. an accumulator) is used and a heater, washing machine, motor or another consumer operates in the place of the electric bulb. In the circuit diagram, frequently the fuses, the point of connection and the switch are not represented; the consumer is frequently represented simply by the resistance symbol, see Fig. 3.3.


Fig. 3.3. Fundamental circuit

1 - Voltage source
2 - Load general

The basic circuit is a circuit which cannot be further simplified. It consists of a voltage source to which a consumer is connected. The current flowing in this circuit is a phenomenon closed in itself, a band without start and end which has the same intensity at any point.

3.2. Ohm’s Law

A natural law found by Georg Simon Ohm is called Ohm’s law and it has fundamental importance to electrical engineering. It correlates the quantities current, voltage and resistance. When two quantities are know, the third can be found with the help of this law.

Proof of this fact is given here experimentally by means of an arrangement whose wiring diagram is shown in Fig. 3.4. The following devices and components are required:

· An adjustable voltage source; this may be an accumulator with six cells each of which provides 2 V voltage so that a total of 12 V are available;

· a voltage selector switch with six switch steps;

· two resistors with resistance values of, for example, 10W and 20W;

· two measuring instruments for the measurement of current and voltage.


Fig. 3.4. Circuit for the proof of Ohm’s law

1 - Accumulator with 6 cells of 2 V each
2 - Voltage selector switch
3 - Resistor
4 - Voltmeter
5 - Ammeter

Measuring instruments are indispensable auxiliaries in electrical engineering; they cannot be dealt with in this book, however. Here, it will suffice to know that the current can be measured by means of ammeters and the voltage by means of voltmeters with adequate accuracy.

At first, one switches on the 10W resistance and then, using the voltage selector switch, stepwise applies a voltage of 2 V, 4 V, 6 V, 8 V, 10 V, and 12 V. The current flowing at each switch step is measured, by means of the ammeter and the quantities are recorded in a table of values.

Table of values 1: (for R = 10 W)

Switch step

Voltage U

Current I

1

2 V

0.2 A

2

4 V

0.4 A

5

6 V

0.6 A

4

8 V

0.8 A

5

10 V

1.0 A

6

12 V

1.2 A

A similar test with the 20 resistance results in the following table of values:

Table of values 2: (for R = 20 W)

Switch step

Voltage U

Current I

1

2 V

0.1 A

2

4 V

0.2 A

5

6 V

0,5 A

4

8 V

0.4 A

5

10 V

0.5 A

6

12 V

0.6 A

The experiment is indicative of the following facts:

1. with a given voltage U, the current I is the smaller, the greater the resistance R is. (The resistance offers resistance to the passage of current).

E.g. with U = 6V

measurement series 1: I = 0.6 A with R = 10 W
measurement series 2: I = 0.3 A with R = 20 W

I ~ 1/R

2. With given current I, the voltage U (more exactly: the voltage drop) is the greater, the greater the resistance R is. (When a higher resistance is offered., the charge carriers must give more energy to it!)

E.g. with I = 0.4 A:

measurement series 1:

U = 4 V with
R = 10 W

measurement series 2:

U = 8 V with
R = 20 W

U ~ R

3. The quotient U/I yields the same value for all values of a measurement series:

for measurement series 1: U/I = 10 V/A = 10 W
for measurement series 2: U/I = 20 V/A = 20 W

Obviously, the resistance is constant, its magnitude is thus independent of the current passing through it and of the voltage applied to it.

The result is the important Ohm’s law.

It has the following expression in signs

R = U/I

[R] = V/A = W


(3.1)

where

R

resistance

U

voltage

I

current intensity

When two quantities are known, the third one can be determined; equation must be rearranged in such a way that the unknown is alone, namely,

U = RI

(3.1.a)

I = U/R

(3.1.b)

[U] = W · A = V

[I] = V/W = A

When the measuring results are interpreted graphically, the U-I diagram shown in Fig. 3.5 is obtained. The functional correlation between U and I is linear. The slope of the straight lines is the steeper, the higher the resistance R is.


Fig. 3.5. Current/voltage diagram

U = (I) R1 = 10; R2 = 20W

The correlation between the various units of the quantities current, voltage, resistance and conductance is represented in Table 3.1.

We know that V/A = W; A/V = S = 1/W; V/W = A; W · A = V


Table 3.1. The Units of the Quantities Current, Voltage, Resistance, and Conductance

When sub-units are used in calculations, the unit of the quantity to be determined may also be a sub-unit. When taking a closer look at the 3rd column under V (= volt), you read the unit of the resistance or conductance in the first to fourth lines:

V/mA = MW

V/mA = kW

V/A = W

V/kA = mW

mA/V = mS

mA/V = mS

a/V = S

kA/V = ks

The other units are handled in a similar manner.

Example 3.1

Calculate the resistance and conductance of an electrical soldering iron through which a current of 0.4 A passes when connected to a voltage of 220 V.

Given:

U = 220 V
I = 0.4 A

To be found:

R
G

Solution:

R = U/I
R = 220V/0.4A = 550 V/A
R = 550W

G = 1/R = 1/550W = 0.00182 S
G = 1.82 ms

Example 3.2.

An ammeter has a resistance of 30 mW. Calculate the voltage drop across the instrument when a current of 5 A passes.

Given:

R = 30 m
I = 5 A

To be found:

U

Solution:

R = U/I inverted: U
U = R · I
U = 30 mW · 5 A
U = 0.03 V/A · 5 A = 0.15 V
U = 150 mV

Example 3.3

A voltage of 4.5 V is applied, to a resistance of 15 kW. Calculate the intensity of the current passing through the component.

Given:

R = 15 kW
U = 4.5 V

To be found:

I

Solution:

R = U/I inverted: I
I = U/R
I = 4.5V/15kW
I = 4.5V/15000kW = 0.0003 A
I = 0.3 mA

If a current flows through a consumer and a voltage drops across it because of the current passing through it, then this consumer has a resistance.

The correlation between current, voltage and resistance is described by Ohm’s law. It has fundamental importance to electrical engineering and is written as

R = U/I

An inversion of this law for U or I gives

U= R · I or I = U/R

Questions and problems:

1. A voltage of 220 V is applied to a flat iron while a current of 2.75 A flows through it. Calculate the resistance and conductance of the electrical flat iron.

2. What is the current passing through a resistor of 10 kW at a voltage of 200 V?

3. The power supply system of a workshop is protected by a fuse of 10 A. The voltage is 220 V. Calculate the resistance which the connected loads must have at least.

4. A small horsepower motor has a resistance of 15W during operation. The current intensity is 0.4 A. Calculate the voltage required at the terminals of the motor.

3.3. Branched and Unbranched Circuits

3.3.1. Branched Circuits

When connecting several consumers, also known as loads, in parallel in a circuit, then the current can flow at the same time through several consumers. Fig. 3.6. shows such an arrangement.


Fig. 3.6. Branched circuit

The current I driven by the voltage source is divided into three partial currents I1, I2 and I3 at branching point A. These currents pass through the three loads, join in point B and return as total current I to the voltage source. Since no charge carriers are lost, the sum of the partial currents I1 ... I3 branching off from point A must be equal to the incoming total current I; in point B the sum of the incoming currents I1 ... I3 must be equal to the total current I returning to the source.

In general, the statement formulated by Robert Kirchhoff (German physicist 1824 - 1887) and known as the 1st Kirchhoff’s law or junction point theorem holds;

In each junction point, the sum of the currents flowing toward the point is equal to the sum of those flowing away from it.

For the example shown in Fig. 3.6. thus, we have

I + I1 + I2 + I3

(3.2)

Since the voltage through all loads is the same, we have

I/U = I1/U + I2/U + I3/U

I/U is the conductance of the load; the total conductance or equivalent conductance, which is to be designated Gequ, is written as

Gequ = G1 + G2 + G3

(3.3)

In a parallel connection of consumers, the equivalent conductance is equal to the sum of the individual conductances; it is always greater than the greatest individual conductance.

For n-equal conductances (n = 2, 3, 4 ...) holds

Gequ = n · G

(3.3. a)

For two consumers with the conductances G1 and G2 we have

Gequ = G1 + G2

(3.3. b)

In practice, resistances are more frequently used for calculating than conductances. In accordance with the general relation R = 1/G, the following is derived from equation (3.3)

1/Requ = 1/R1 + 1/R2 + 1/R3

(3.4.)

In a parallel connection of loads, the reciprocal value of the equivalent resistance is equal to the reciprocal values of the individual resistances; the equivalent resistance is always smaller than the smallest individual resistance.

For n-equal resistances (n = 2, 3, 4 ...) holds

Requ = R/n

(3.4. a)

For two loads with the resistances R1 and R2 the following holds:

1/Requ = 1/R1 + 1/R2 = (R1 + R2)/(R1 · R2)

Requ = (R1 · R2)/(R1 + R2)

(3.4. b)

The ratio of the partial currents is dependent on the ratio of the partial resistances. It is obvious that the smaller current flows through the larger partial resistance and vice versa. This relation which is known as the current divider rule for two loads connected in parallel is written as

I1/I2 = G1/G2

(3.5 a)

or

I1/I2 = G1/Gequ

(3.5 a)

In a current divider, the ratio of the partial currents is like that of the partial conductances.

Expressed in terms of resistances, we obtain from equation (3.5.)

I1/I2 = R1/R2

(3.6.a)

I1/I2 = Requ/R1

(3.6.b)

In a current divider, the ratio of the partial currents is inverse to that of the partial resistances.

Example 3.4

Two loads with the conductances G1 = 12.2 mS and G2 = 8.7 mS are connected in parallel while a voltage of 24 V is applied to them. Draw a sketch of the circuit. Calculate the equivalent conductance and the equivalent resistance as well as the total current and the partial currents.

Given:

G1 = 12.2 mS
G2 = 8.7 mS
U = 23 V

To be found:

Gequ
Requ
I
I1; I2

Solution:

Circuit:


Fig. 3.7. Circuit with two loads connected, in parallel

According to equation (3.5.b):

Gequ = G1 + G2
Gequ = 12.2 mS + 8.7 mS
Gequ = 20.9 mS;

the equivalent conductance is greater than the greatest individual conductance

According to equation (2.3.):

Requ = 1/Gequ
Requ = 1/0.0209 S = 48 1/S
Requ = 48 W

or according to equation (5.4.b) where for

R1 = 1/G1 = 1/0.0122 S = 82 W and for
R2 = 1/G2 = 1/0087 S = 115 W

we have to write

Requ = (R1 · R2)/(R1 + R2)
Requ = (82 W · 115 W)/(82 W + 115 W) = 9430 W/197W = 47.9 W
Requ » 48 W

the equivalent resistance is smaller than the smallest individual resistance

According to equation (3.1.b):

I = U/Requ
I = 24 V/48 W
I = 0.5 A = 500 mA

I1 = U/R1 = 24 V/82 W
I1 = 0.292 A = 292 mA

the greater partial current flows through the smaller individual resistance

I2 = U/R2 = 24 V/115 W
I2 = 0.208 A = 208 mA

I1 and I2 can also be found with the help of the current divider rule, i.e. equations (3.5. and 3.6.), namely,

I1/I = G1/Gequ

or

I1/I = Requ/R1

I1 = I · G1/Gequ


I1 = I · (Requ/R1)

I1 = 500 mA · (12.2/20.9)


I1 = 500 mA · (48/82)

I1 = 292 mA


I1 = 292 mA

The calculation for I2 has to be performed analogously.

Check with the help of equation (3.2.):

I = I1 + I2
I = 292 mA + 208 mA
I = 500 mA

the total current is equal to the sum of all partial currents

3.3.2. Unbranched Circuits

When connecting several load in one circuit in such a manner that the current passes through all loads one after the other, then this circuit is called series connection or series circuit.

Fig. 3.8. shows such an arrangement.


Fig. 3.8. Unbranched circuit

The two voltage sources connected in series produce a total voltage of

E = E1 + E2

The current driven by the total voltage has the same intensity at any point in the circuit and causes an adequate voltage drop at any load. Since the charge carriers give their en-tire energy to the circuit, the statement in the form of the 2nd Kirchhoff’s law or the mesh-network theorem holds:

In each unbranched circuit, the sum of all voltage drops is equal to the total voltage.

For the example shown in Fig. 3.8., thus we have

E = E1 + E2 = U = U1 + U2 + U3

(3.7)

As the current through all loads is the same, we have

U/I = U1/I + U2/I +U3/I

U/I, however, is the resistance of the load; the total resistance or equivalent resistance will be called Requ and obtained in the form of

Requ = R1 + R2 + R3

(3.8.)

In a series connection of loads, the equivalent resistance is equal to the sum of the individual resistances; it is always greater than the greatest individual resistance.

For n-equal resistances (n = 2, 3, 4, ...)

Requ = n · R holds.

(3.8.a)

If conductances have to be calculated, the required equations can easily be derived from the relation G = 1/R. In practice, calculations of conductances are required very seldom for unbranched circuits.

The ratio of the partial voltages is dependent on the ratio of the partial resistances. It is obvious that the greater voltage drop occurs via the greater partial resistance and vice versa. This relation called voltage divider rule is expressed for two loads connected in aeries in the following way:

U1/U2 = R1/R2

(3.9.a)

or

U1/U = R1/Requ

(3.9.b)

In a voltage divider, the ratio of the partial voltages is the same as that of the partial resistances.

Example 3.5.

Two loads with the resistances R1 = 18 W and R2 = 72 W are connected in series and a voltage of 60 V is applied to them. Draw a sketch of this circuit. Calculate the equivalent resistance, the current and the partial voltages.

Given:

R1 = 18 W
R2 = 72 W
U = 60 V

To be found:

I
U1; U2

Solution:

Circuit:

According to equation (3.8.):

Requ = R1 +R2
Requ = 18 W + 72 W
Requ = 90 W

the equivalent resistance is greater than the greatest individual resistance


Fig. 3.9. Circuit with two loads connected in series

According to equation (3.1.b):

I = U/Requ
I = 60 V/90 W
I = 0.0667 A = 667 mA

According to equation (3.1.a):

U1 = R1 · I
U1 = 18 W · 0.667 A
U1 = 12 V;

the smaller partial voltage drops via the smaller individual resistance

U2 = R2 · I
U2 = 72 W · 0.667 A
U2 = 48 V

U1 and U2 can also be calculated according to the voltage divider rule, equation (3.9.b), namely,

U1/U = R1/Requ

or

U2/U = R2/Requ

U1 = U · (R1/Requ)


U2 = U · (R2/Requ)

U1 = 60 V · 18/90


U2 = 60 V · (72/90)

U1 = 12


U2 = 48

Verification by means of equation (3.7.):

U = U1 +U2
U = 12 V + 48 V
U = 60 V;

the sum of all voltage drops is equal to the total voltage.

In the following Table 3.2., an unbranched circuit is compared with a branched circuit. In each of the two cases, two loads are included. It is obvious that the formulas of one circuit have the same structure as those of the other circuit. The only difference is that, as compared to the branched circuit, for the unbranched circuit U is put instead of I, I instead of U, R instead of G and G instead of R.

Table 3.2. Relations in Branched and Unbranched Circuits Having two Loads Each

Branched Circuit

Unbranched Circuit

U is equal across all loads

I is equal through all loads



I = I1 + I2

U = I1 + U2



Gequ = G1 + G2

Requ = R1 + R2



1/Requ = 1/R1 + 1/R2

1/Gequ = 1/G1 + 1/G2



® Requ = (R1 · R2)/(R1 + R2)

® Gequ = (G1 · G2)/(G1 + G2)



for G1 = G2 = G = 1/R is

for R1 = R2 = R = 1/G is



Gequ = 2 · G, since n = 2

Requ = 2 · R, since n = n



or Requ = R/2

or Gequ = G/2



I1/I2 = G1/G2 = R2/R1

U1/U2 = R1/R2 = G2/G1



I1/I = G1/Gequ = G1/(G1 + G2)

U1/U = R1/Requ = R1/(R1 + R2)



I1/I = Requ/R1 = R2/(R1 + R2)

U1/U = Gequ/G1 = G2/(G1 + G2)

3.3.3. Meshed Circuits

Meshed Circuits, also known as interconnected circuits, are such circuits where loads are connected in parallel and other loads in series. In addition, the various “branches can contain voltage sources. Computations of these circuits are possible with the help of the two Kirchhoff’s laws. Here, we confine ourselves to the loaded voltage divider as the simplest case which is of great importance to practical electrical engineering.

By means of a voltage divider, one can draw from an available voltage any desired smaller partial voltage which is used to supply a certain load R. Through the latter, an adequate current will then flow. Besides a voltage division, a current division is also involved; Fig. 3.12. shows these conditions.


Fig. 3.12. Loaded voltage divider

R = Requ1

Circuits of this type where resistances are connected in parallel and other resistances in series are called series-parallel connections. According to Fig. 3.12., the following considerations should be made:

Through the load RV a current passes which is part of the total current. As a consequence, the current flowing through R1 only has the intensity of I1 = I - IV, i.e. it is smaller than in the case of a non-connected load. A lower current causes a smaller voltage drop according to Ohm’s law. This fact is described by the following equation.

U1/U = Requ1/Requ

(3.10.)

Requ = (R1 · RV)/(R1 + RV) is smaller than the smaller resistance of R1 and RV
Requ = Requ1 + R2

Example 3.6.

From a voltage source of 24 V, a voltage of 6 V is to be supplied t a load RV = 30 W via a voltage divider. The total current is 0.5 A. Calculate the partial resistances R1 and R2

Given:

U = 24 V
I = 0.5 A
U1 = 6V
RV = 30 W

To be found:

R1 and R2

Solution:

R2 = U2/I
R2 = 18 V/0.5 A
R2 = 36 W

U2 = U - U1 = 24 V - 6 V =18 V

Requ1 = U1/I
Requ1 = 6 V/0.5 A = 12 W
1/Requ1 = 1/R1 +1/RV inverted for R1
1/R1 = 1/Requ1 - 1/RV = (RV - Requ1)/(RV · Requ1)
R1 = (RV · Requ1)/(RV - Requ1)
R1 = (30 W · 12 W)/(30 W - 12 W) = 360/18 W
R1 = 20 W

Verification by means of equation (3.10.):

U1 = U · (Requ1/Requ)
U1= 25 V · (12 W/(12 W + 36 W)) = 24 V · 12/48
U1 = 6 V

If the load had not been connected, then for the selected divider resistances the voltage dropping via R1, would have been greater and, according to equation (3.9.b) would be

U1 = U · (R1/Requ)
U1= 24 V · (20/36) = 40/3 V
U1 = 13.3 V

According to their circuit structures, a distinction is made between branched, unbranched and meshed circuits. In branched circuits all loads are connected in parallel. Their equivalent conductance is equal to the sum of the individual conductances, hence, always greater than the greatest individual conductance. The equivalent resistance, however, is always smaller than the smallest individual resistance.

Gequ = G1 + G2 + G3 + ...
1/Requ = 1/R1 + 1/R2 + 1/R3 + ...

The voltage across all loads is equal. At each junction point,


Fig. 3.13. Circuit for example 3.6.

the sum of the currents flowing toward, the point is equal to the sum of those flowing away from it.

I = I1 + I2 + I3 + ...

The division of the voltage by the loads is effected in the same ratio as that of their conductances.

I1/I = G1/Gequ; I2/I = G2/Gequ; I3/I = G3/Gequ etc.

In unbranched circuits, all loads are connected in series. Their equivalent resistance is equal to the sum of the individual resistances, hence always greater than the greatest individual resistance.

Requ = R1 + R2 + R3 + ...

The current is equal through all loads. The total voltage is equal to the sum of all individual voltage drops.

U = U1 + U2 + U3 + ...

Voltage division by the loads is effected in the same ratio as that of their resistances.

U1/U = R1/Requ; U2/U = R2/Requ; U3/U = R3/Requ etc.

In meshed circuits, some of the loads are connected in parallel and some of them in series. Such a circuit is called series-parallel connection. For computing or designing a series-parallel connection, the laws at the bottom of both branched and unbranched circuits have to be taken into account. A series-parallel connection of particular importance to electrical engineering is the loaded voltage divider.

Questions and problems:

1. The following loads are connected in parallel to a voltage of 110 V: 1 soldering iron having 200 W, 1 incandescent lamp having 120 W, 1 heater having 24 W. Calculate the partial currents and, with the help of the 1st Kirchhoff’s law, the total current. Check the result according to Ohm’s law after having determined the equivalent resistance of the three loads connected in parallel.

2. By means of a certain ammeter, a current of maximum Ii = 10Ma can be measured. Assume the resistance of the instrument is Ri = 10 W. In order to measure a higher current, for example, a current of I = 100 mA, a resistor of a suitable resistance value must be connected in parallel through which (that is to say, past the instrument) a current of 90 mA (in the case of full-scale deflection) or, in general, of I - Ii can flow. Calculate the value of the parallel resistance for the conditions given above.

3. In an electronic device, three resistors are connected in series to a voltage of 12 V: R1 = 360 W, R2 = 240 W, R3 = 120Q. Calculate the equivalent resistance, the current and the partial voltage dropping via R1 to R2.

4. By means of a certain voltmeter, a maximum voltage of Ui = 15 mV can only be measured. Assume the resistance of the instrument is Ri = 5 W. In order to be in a position to measure a higher voltage, for example, a voltage of U = 3 V, a resistor of a suitable resistance value must be connected in series with the voltmeter. Via the latter, the excessive voltage of 2.985 V (in the case of full-scale deflection) or, in general, of U - Ui can drop. Calculate the value of the series resistor for the conditions specified above.

5. Two resistors R1 = 18 kW and R2 = 36 kW are connected in series and to a voltage of U = 110 V. A load of RV = 10 kW is connected in parallel to R1. Calculate the voltage at RV, the total current and the partial currents.

TO PREVIOUS SECTION OF BOOK TO NEXT SECTION OF BOOK