Back to Home Page of CD3WD Project or Back to list of CD3WD Publications

CLOSE THIS BOOKVillage Electrification (SKAT, 1992, 128 p.)
Part 6: Distribution systems
VIEW THE DOCUMENT(introduction...)
VIEW THE DOCUMENT1. Swer, a low cost rural distribution system using single wire earth return.
VIEW THE DOCUMENT2. Three phase low voltage lines in small isolated grids

Village Electrification (SKAT, 1992, 128 p.)

Part 6: Distribution systems

The first part originates from an article of Mr. Bryan Leyland, Leyland Consultants Ltd, 100 Anzac Ave, Auckland, New Zealand. The second is a contribution of Mr. Hanspeter Prinz, Wadenswil, Switzerland.

1. Swer, a low cost rural distribution system using single wire earth return.

What is called a standard distribution system, is often based on designs for urban areas or national grids. They exceed by far the requirements of a stand alone village electrification scheme. Below the description of an adequate low cost system, developed by the New Zealand engineer Lloyd Mandeno in the 1920s and still today widely used in New Zealand and Australian rural areas.

It is basically a single phase supply (as it is the norm in rural USA) with only one wire and using the earth as the return conductor. This system is commonly known as the Single Wire Earth Return, SWER, system.

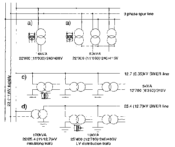
The essential elements of the system are shown in Fig 1. All the voltages are shown for a 22 kV main distribution (and in brackets an 11 kV).


Fig 1 Comparison between several distribution concepts 3 phase system a) single phase (16 kVA) b) three phase (50 kVA) SWER system c) directly tapping the HV line(5 kVA) d) with single phase insulating trafo (100 kVA) - > SWER line (10 kVA)

1.1. High Voltage Lines

1.1.1. Conductors

Conductors for the three phase lines would be either all aluminium or aluminium alloy such as "Silmalec".

For the three phase spur lines either 3/12" galvanized steel wire or 10 or 16 mm2 copper equivalent wire would be used.

For main lines (supplying several villages) 16, 35 or 50 mm2 would be used .

Conductors for the single wire spurs would be either "Silmalec" or 3/12" galvanized steel wire.

1.1 .2. Poles

Poles can be either of steel or wood. For SWER lines local timber poles should be used if available. Alternatively where transport is difficult and porters are used, poles made from conical sections, nested for transport and fitted together on site, would be very suitable.


Fig 2 Nestable pole structure

Pole spacing should be as wide as possible, hence wherever possible they should be placed on rises (hills, ridges etc.); for SWER lines, spacing of 150 to 200m is possible.

1.1.3. SWER Spur Lines

Short or lightly loaded SWER spurs would be tapped directly off the three phase line and operate at 1 2.7(6.35)kV to earth (see Fig I c).

Long SWER spurs with loadings in excess of 5070 kVA could be supplied via a 22/25.4 (11/1 2.7) kV insulating transformer (see Fig 1d). This has two advantages: it increases the voltage, consequently reducing the current and the losses, and it limits the extent of the earth return current to the spur line and insulating transformer only.


Fig 3 Arrangement of configuration d) (see Fig 1)

It shows the limited extent of the earth return current between the insulation and the LV distribution transformer. In case of a short to earth, earth currents flow of course close to consumers.

SWER spurs would not be designed for a later upgrading to three phase, the shorter spans and stronger poles needed would double the cost of the line. Experience has shown, however, that by the time a three phase supply is needed, the low cost SWER line has more than paid for itself.

1.2. Transformers

1.2.3. Type

Transformers would follow US rather than European practice. They could be rated at 16 kVA for single phase 22 (11)kV (concept a & b in Fig 1). For SWER lines it would be convenient to use ratings of 5 kVA for 12.7 (6.35)kV and 10 kVA for 25.4 (12.7)kV (concept c & d in Fig 1 ) with one standard dual voltage transformer with only one high tension bushing. The high voltage winding can be connected to either 25.4 (12.7) or 12.7 (6.35)kV. The dual secondary winding can be connected in series for 240 & 480V at 25.4 (12.7)kV. At 12.7 (6.35)kV, however, only the 480V winding is used (see Fig 4a), which will produce 240V.


Fig 4 Dual Voltage Transformers.

1.2.2. Construction and Mounting

The SWER transformer would be totally sealed. A surge diverter (arrestor) would be secured to the tank. There would be one HV bushing and three LV bushings; no other tappings! The no load voltage ratio would be 25'400:255/510V.

For installations in remote areas, accessible only with porters (as for instance in the Himalayas) the weight must be kept below 50kg. This might require a rating as low as 10kVA.

Mounting arrangement would follow US practice. The transformers would be secured to a clamp fitted to the pole or simply to a bolt through the pole.


Fig 5 a) Pole mounting of a single phase transformer. b) Symmetrical arrangement of three identical transformers around a pole for a three phase system .

The 22 (11)kV single phase transformer would be similar except that it would have two HV bushings. It would be possible to use three such transformers to give a three phase supply. The secondary winding would be paralleled in this case (refer to Fig 4a). Three transformers can be mounted on a single pole by spacing them equally around it.

1.3. Protection

Every spur line is protected by drop-out fuses. Each transformer would also be protected by fuse and by a tank-mounted surge diverter. Auto reclosers and sectionalizers should be used in areas where lightning is a problem. With the SWER lines, only a single phase unit is needed, so the cost is much reduced.

1.4. Earth Return Currents and Earthing

Injecting currents into the earth is a complex phenomena (see also part: Earthing). In the case of a uniformly conducting soil, the current disperses radially, generating circular equipotential lines. The voltage drops quickly, forming a "potential funnel", and a few meters from the earthing point, the voltage is not elevated anymore. The steep voltage gradient guarantees a short range of disturbance but poses also the risk of considerable voltages between objects within a person's reach. This might be amplified by a good conducting object entering the "potential
funnel" (for instance a water pipe). It is advisable to maintain a distributed earthing system with several earthing points on the LV side.


Fig 6 Improvement of the earth potential using several earthing systems. a) 'steep' and 'deep' potential funnel for a single earth at the transformers . b) the obvious betterment using
several earthing systems (for instance at each important consumer's connection).

Where 12.7 (6.35)kV connections are used, the earth currents return to the supply transformer neutral (distribution concept Fig 1 c). To minimize the neutral current the loads must be evenly balanced between the phases. In perfect balance the supply transformer neutral carries no current at all (not so the SWER LV distribution transformers!). If the 12.7 (6.35)kV load were, say, 100 kVA, and the out of balance is 20%, then the current at the supply neutral would still only be l.5 (3.0)A. This would not cause problems with losses or neutral displacement even if a 60 Ohm neutral resistor were used.

Using a single phase insulating transformer, however, its neutral current will be substantial. For 25.4 (12.7) kV end a rating of 100 kVA the maximum earth return current is 4 (8)A. To keep the earth electrode's voltage at less than 20V the earth resistance mustn't exceed S (2.5) Ohm. This voltage is accepted as safe in Australia and New Zealand. It might be a major obstacle to reach earth resistances lower than 10 Ohm. This is, however, essential for a proper SWER system functioning and must be achieved.

At a 10/SkVA distribution transformer, the earth current will be 0.4 (0.8)A. Here the earth resistance mustn't exceed 50 (25) Ohm, which is much less stringent.

In keeping New Zealand practice, the LV neutral earth should be connected to the same electrode as the HV earth. This allows to keep the neutral potential close to the earth potential. Butit also adds a substantial risk: if the earth connection is interrupted, the whole LV wiring is on high potential!


Fig 7 Risk of high tension on the LV distribution.

If the only earthing point is the LV distribunon transformer and this connection is interrupted, high tension appears on the low tension side. This risk is reduced when several earthing systems are used.

To minimize this risk, the earth wires down the pole should be duplicated and protected. If steel poles are used, they too should be connected to the earth electrode.

1.5. Insulators

In both Australia and New Zealand, standard llkV insulators have been used on 11kV SWER lines with complete success. This is probably a result of the clean atmosphere in rural locations combined with the high impulse insulation of wooden crossarms and poles. Where steel poles and crossarms are used, a higher level of insulation might be necessary for 12.7kV SWER lines, so insulators rated for 22kV should be used.

1.6. Electric Motors

US rural distribution is primarily single phase 120/ 240V, and they do not hesitate to use quite large single phase motors (3kW and more). In New Zealand, 2.2kW single phase motors are often used and, in some cases, three phase motors have been connected to a single phase system by using capacitors to create a third phase. If there is a need to supply a load with large three phase motors, then the revenue it generates should pay for the cost of the light l1kV three phase line needed to supply it. If it doesn't, the consumer can be offered the choice of paying to have the line upgraded or to use diesel engines to drive his equipment.

1.7. Example: Cost Comparison

To show the possibilities of cost reduction by engineering, the following example for a 10 km HV line, 3 km LV distribution for three kampong in rural Malaysia is shown. The costs are based on '87 prices and might have changed considerably, but in this
context the relative reduction is important, not its absolute value.


Fig 8 Principle diagram for system A, B and C (corresponds to distribution concept b), a) and c) respectively in fig 1)


Fig 9 Cost comparison of the three concepts A, B and C. All categories are displayed in percent of System's A total costs.


Table 1 Costs listed for the three systems AB and C

2. Three phase low voltage lines in small isolated grids

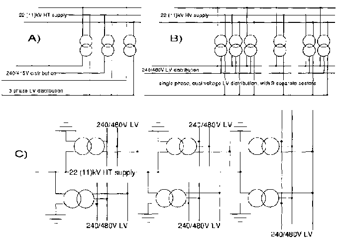
2.1 Three or Four Wire Systems

A three wire system uses only the 3 phase wires (Ll,L2, L3). Therefore, only the phase voltages (voltage between two phases) are available. Is the generator delta-connected, the phase voltage is 220V and normal single phase appliances can be connected between any two phase conductors. Three phase motors, however, are not readily available for a 220V phase voltage and would have to be specially wound. This might be the main reason why three wire systems are rarely used in low voltage (LV) systems. Though in high voltage (HV) distribution they are often found because of the obvious benefit: one wire less reduces the conducter costs by 25%.

A four wire system uses three phase wires (Ll, L2, L3) and one neutral wire (N or if earthed PEN). There are two different voltages in this system: 380V between the phase wires (L1L2, L1L3 and L2L3) and 220V between any phase and neutral wire (L1N, L2N and L3N). Both 3 phase and single phase appliances can be connected.


Fig 1 Three and four wire system

2.2 Racks, Poles & Protection

Because of power losses LV overhead distributions are not suitable for long distances. The example at the end of this chapter predicts losses in the distribution line of 6% of the produced energy. This might be 6% of the revenues! If the investments for higher efficiency (HV distribution) cannot be paid with these savings, however, a LV distribution (link power house to village for instance) becomes feasible. For short distances even cables (3 or 4 wires) should be considered. Although expensive, their use avoids any additional costs for poles, insulators, mounting gear... when laid under ground.

An easy and suitable way to mount the LV conductors is a construction called 'rack' mounting. Racks are widely used in Latin-America. One rack is containing (four) equally spaced insulators fixed in a line on a steel frame. Racks can be fixed to poles, walls and ceilings. For instance to avoid costs for additional poles, they can be mounted together with high tension lines, double using the poles.

For an overland distribution without a topping HV line, the top wire in the rack should be the neutral cum earth wire (PEN conductor) to provide an adequate lightning protection. In populated areas, however, the PEN conductor is the bottom wire to reduce the risk of accidents.


Fig. 2 Rack mounting.

2.2.1 Pole Height and Spacing

The pole height is given by safety regulations and/or considerations. People, animals and vehicles shouldn't get close to wires or any energized structure. Special attention is paid to distributions close to houses (roofs, windows), crossing of streets or footpaths and pasture land.

The average pole spacing is between 40-60m. The conductors are strained until the required sag is achieved. Often this is solely based on the experience of the fitter/lineman. Calculations are not very simple. They are based on a curve called 'catenary' since any perfectly flexible material of uniform mass will hang in the shape of a catenary when suspended between two supporters. For short spans this curve can be approximated with a parabola which simplifies the calculations. A brief collection of the formulas is given below, details are in the references.


Fig 3 Parabolic curve equations

Note: In climates with wide temperature changes, the sag has to be increased to avoid ripping of the conductors due to thermic contraction.

2.2.2 Surge Arrestors

Atmospheric and switching surge voltages must be neutralized before they can reach and destroy transformers, generators and switch gear. Surge arrestors (absorbers, dischargers) are installed at least at the beginning and at the end of the transmission line. They are designed for 0.8 of the nominal line Voltage Un.

2.3 Cross Section Calculation for Overhead Conductors

Commonly copper and aluminium conductors are used. Here aluminium ropes (conductors) are emphasized: for the same current the per length weight is only half and aluminum is cheaper. Furthermore, aluminium ropes with a steel core, ACSR (Aluminum Conductor, Steel Reinforced), have approximately the same tensile strength as copper wires.

Some important dates are listed in Tables 1 and 2.


Table 2 Conductivity for different temperatures

2.3.1 Equivalent Circuit of Overhead Lines


Fig. 4 Simplified equivalent circuit of overhead lines up to 60 kV

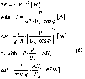
The line is described in the equivalent circuit by a resistor and an inductance. Above 60 kV the capacitance between the wires as well as between wires and ground have to be considered. With a current I along the line a voltage drop occurs. At the line's end only a reduced voltage U2 = U1 - DU is available. The phase shift f between U, and U2 is small for short lines and the exact complex calculations can be avoided. A calculation using real values is introduced.

The (real) impedance per length is defined as:

f = RL+XL·tan j [W/km]

with:

RL[W/km]

ohmic part of the line impedance

XL[W/km]

reactance of inductive part of the line impedance

j[rad]

phase angle between current and voltage at the load (cos j = power factor )

2.3.2 Cross Section Calculation

Generally it can be assumed that an overhead line correctly designed for nominal voltage drops, will not overheat. This should be checked, however, because in short cabled distribution systems (typical for LV systems) the cable cross section might be determined by the current capacity. For LV house wiring this is always true.


Table 1 Most important data for Aluminium/Steel ropes (Source: bare aluminium wires & cables, data-sheet, Furakawa, Sao Paulo, Brazil)

Neglecting the Inductivity


An approximate calculation for the cross section A .

Including Inductivity


The inductivity reactance XL can approximately be calculated as.

The cross section A is difficult to calculate if XL is not zero and is therefore tabulated. Table 3 shows vertically arranged ('racked') wires equally spaced at a distance of 0.25 m.


Table 3 Inductivity for rack mounted lines (d = 0.31 m,f = 50 Hz)

2.3.3 Dependance of the Transmittable Power on the Cross Section

Fig 4 is a tool to estimate the cross section A. Anexact determination includes the line length. The graph is based on formula (4):

P = DUn·Un)/l·f {4a}


Fig 4 Cross section A as a function of P for 380V and 500m line length

2.3.4 Voltage Drop

The circuit in Fig 3 holds true for balanced 3 phase lines (star connection).


The voltage drop for each phase.

2.3.5 Power Losses


For the power losses only the resistive part of the line impedance counts.


The power dissipation DP for a balanced three phase overheadline

2.4 Example: Determine Cross Section

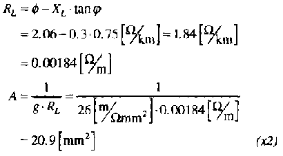
For a 3 phase transmission line between power house and village the conductor's cross section has to be calculated. The line length is 500m the line voltage 380V. The maximum power is 7kW and the voltage drop DU shall not exceed 5% of the nominal voltage Un. Aluminium/steel ropes are used. They are rack mounted (vertically arranged, spacing 0.25m). The load has a power factor of 0.8.


In order to keep DU below 5% of Un, ø has to be less than .


The reactance XL is approximately (see Table 3) 0.30 [W/km] so with formula 1 and knowing ø and XL, both RL, and D can be estimated

The next thicker conductor in Table I is AWG4 ACSR with A = 24.68 mm2, RL = 1.36W/km and XL 0.3W/krn.


Check voltage drop for the selected conductor (temperature = 60°C).

If DU would exceed the tolerance of 5%, the next thicker conductor would have to be selected.

Power Loss


It is interesting to know the power loss in the line for a plant running 8000 hours a year, the production is 56 MWh and the losses 3.36 MWh. At 10 cents per kWh this might be a financial loss of 336$ per year!

TO PREVIOUS SECTION OF BOOK TO NEXT SECTION OF BOOK