Back to Home Page of CD3WD Project or Back to list of CD3WD Publications

CLOSE THIS BOOKBiogas Plants (GTZ, 1988, 85 p.)
VIEW THE DOCUMENT(introduction...)
VIEW THE DOCUMENTAcknowledgements
VIEW THE DOCUMENTPreface
VIEW THE DOCUMENT0. Biogas as appropriate technology
VIEW THE DOCUMENT1. Benefits and costs of a biogas plant
2. The dgestion process
3. Biogas plants
4. Scaling of biogas plants
5. Design of biogas plants
6. Biogas utilization
VIEW THE DOCUMENT7. Planning, design and construction
VIEW THE DOCUMENT8. Appendix
VIEW THE DOCUMENTBibliography

7. Planning, design and construction

Floating-drum plant with filler funnel
Floating-drum
Floating-drum plant without water jacket
Floating-drum plant with water jacket
Fixed-dome plant without upper opening
Fixed-dome plant with upper opening
Floating-drum plant (quarrystone masonry)
Floating-drum plant with extremely low VD/VG ratio
Channel-type digester with folia

The following pages contain constructional drawings for different types of biogas plants.

The form of the plant is determined when the size of the digester and that of the gasholder are known (see calculation on page 26 f.).

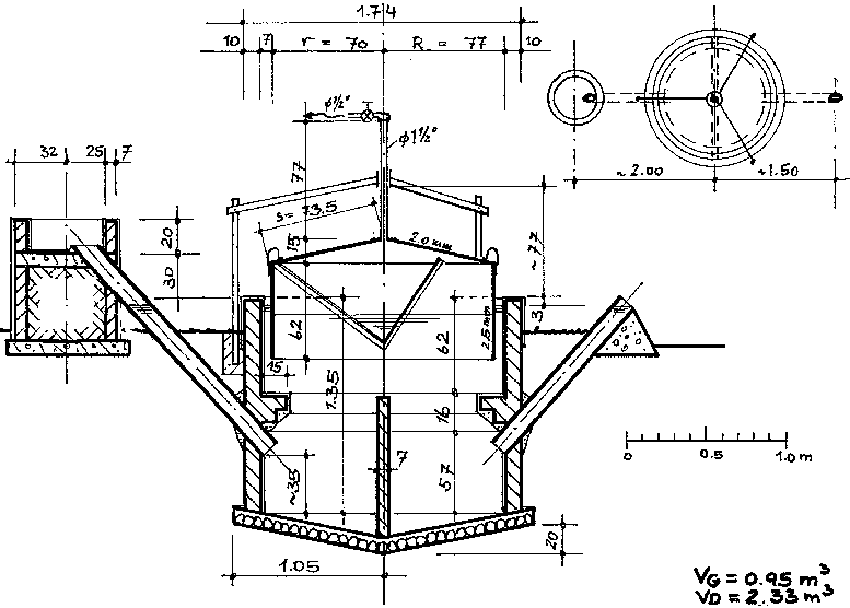
The nature of the feed material is another important fundamental planning parameter. The plant shown in Figure 43 is intended particularly for long-fibre feed material. It has a larger outlet diameter to cope with this. The light but hard fibrous constituents accumulate on the surface and form a floating scum. This has to be broken up and if necessary removed. Gas is lost through the inlet funnel. But the floating scum can be raked off without removing the gas bell. Inlet and outlet pipes with a diameter of 100 mm are sufficient for pure manure without litter or for toilet contents. Supernatant scum formation is virtually no problem here.

The plant shown in Figure 51 has an extremely low digester/gasholder volume ratio. The plant is of low construction. The distance from the inlet pipe to the outlet is short. A partition will prevent fresh feed material from discharging again immediately.

In the case of shell structures, the construction dimensions are somewhat difficult to calculate. Consequently, the results of calculation have been simplified, i.e. rendered in tabular form.

The vertical, cylindrical plant (Figure 50) is not optimal, because the digester temperature is lower at the bottom and the water pressure increases with depth. However, this plant may be economic if quarrystone masonry is used instead of brickwork and a shell structure is too complicated.

The cover plate of a floating drum is always thinner than the metal of the side walls, because the covers rust less than the sides. For the guide frame, the cheapest solution is the best.

Floating-drum plant with filler funnel


Fig. 43: Constructional drawing of a floating-drum plant with filler funnel for long-fibre feed material; external guide, external gas outlet.

Floating-drum


Fig. 44: Constructional drawing of a floating-drum plant

Floating-drum plant without water jacket


Fig. 45: Constructional drawing of a floating-drum plant with an internal gas outlet and no water jacket


Fig. 46: Calculation of dimensions

Floating-drum plant with water jacket


Fig. 47: Constructional drawing of a floating-drum plant with water jacket. Compared to the one is shown in figure 45, this plant is about 40% more expensive but can be expected to last twice as long and will handle substrate that tends to form substantial amounts of scum. Detailed building instructions for a system of this kind are available in several different languages.

Fixed-dome plant without upper opening


Fig. 48: Constructional drawing of a fixed-dome plant without upper opening

Fixed-dome plant with upper opening


Fig. 49: Constructional drawing of a fixed-dome plant with upper opening

Floating-drum plant (quarrystone masonry)


Fig 50: Constructional drawing of a floating-drum plant for quarrystone masonry (vertical plant)

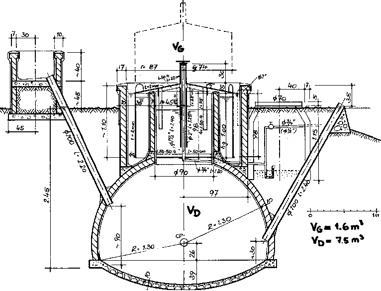
Floating-drum plant with extremely low VD/VG ratio


Fig. 51: Constructional drawing of a plant with an extremely low digester/gasholder volume ratio

Channel-type digester with folia


Fig. 52: Constructional drawing of a channel-type digester with folia (Henning system) The digester walls consists of netting-wire-reinforced rendering on the surrounding ground. The balloon serving as gasholder is mounted on a wooden frame. A plywood panel or straw mat on lathing serves as a sunshade. Weights placed on top make the gas pressure higher.

TO PREVIOUS SECTION OF BOOK TO NEXT SECTION OF BOOK